首页
关于英卓
新闻中心
产品展示
工程案例
规划设计
人才招聘
电子彩页
视频展示
配色方案
联系我们
在线留言
英卓新闻
英卓新闻
行业新闻
联系我们
在线留言
英卓新闻
您当前的位置:
主页
>
新闻中心
>
英卓新闻
>
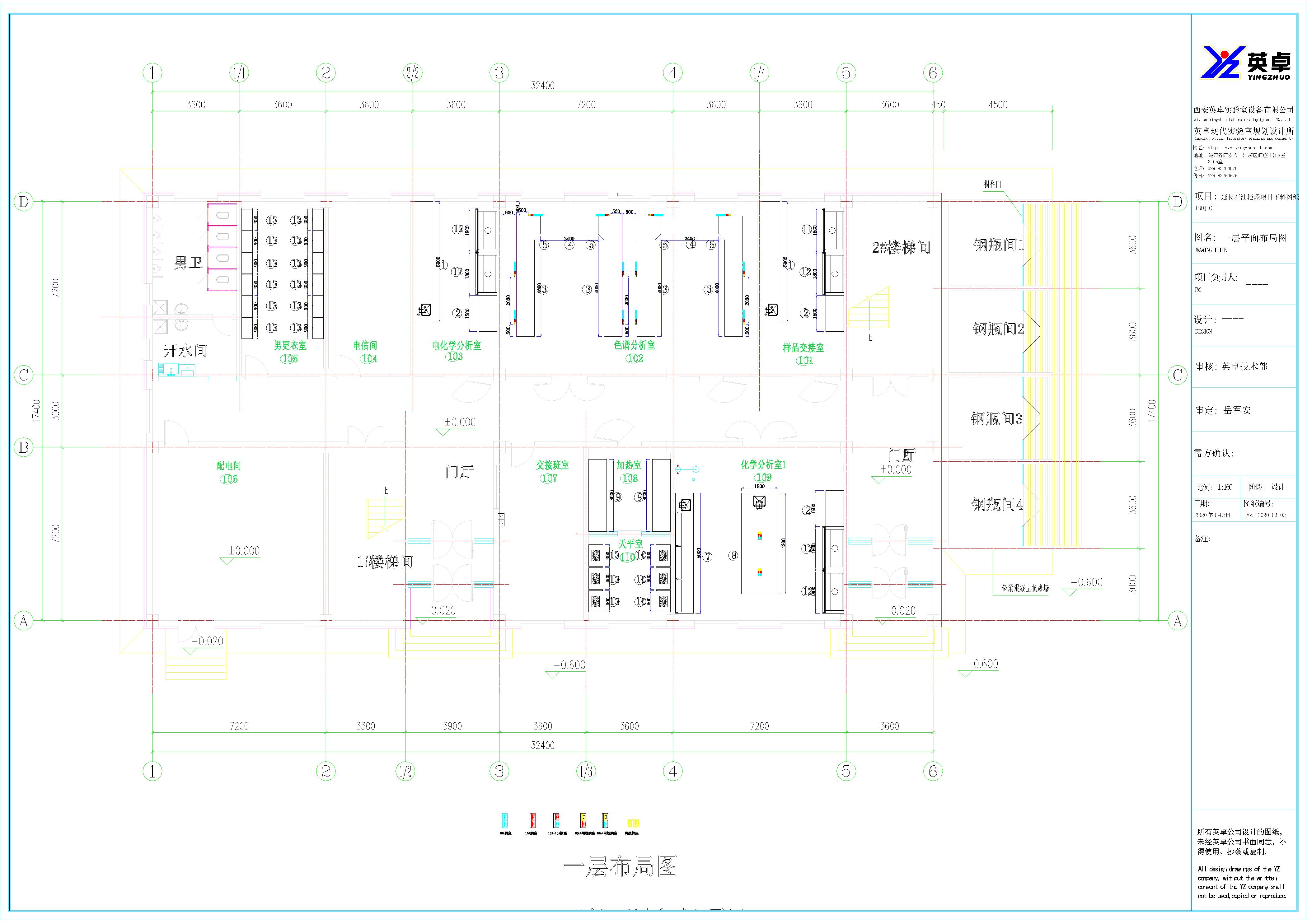
陕西延长石油炼化公司轻烃综合利用项目
文章来源:本站原创
发布之间:2024-08-27 17:42
点击量:
陕西延长石油(集团)有限责任公司
炼化公司轻烃综合利用项目坐落于延安市洛川县交口河镇桥头川村。南距黄陵县城约21km,场地西约4km 处为西延铁路线上的黄陵火车站。西距延安石油化工厂约2公里,距延安炼油厂约10公里。
气象条件:
极端最高温度
37.5℃
极端最低温度
-21.6℃
年平均气温
10.3℃
最冷月平均气温
-3.9℃
最热月平均气温
22.3℃
最低日平均温度
-18.6℃
历年最高干球温度
36.8℃
历年最高湿球温度
27.0℃
年平均相对湿度
62%
最冷月平均相对湿度
49.3%
最热月平均相对湿度
75.5%
年平均大气压
886.1hPa
夏季平均大气压
880.1hPa
冬季平均大气压
890.4hPa
实验室面积1127.52平米,主要实验室为:天平室、电加热室、化学分析室1、样品交接室,色谱分析室、电化学分析室、男更衣室、制样间、标准溶液室/纯水室、化学分析室2、器材室、留样室、试剂/药品室、仪器分析室、标溶存储室、资料室、女更衣室、办公室等。
上一篇:
西安英卓实验室设备有限公司新年放假通知
下一篇:
西安太乙电子有限公司实验室现状的解决方案